Descripción
Cierre suave: para un cierre suave y silencioso de cajones y puertas correderas
Aplicación:
Perfecto para todos los rieles de guía comunes, cajones, marcos de metal de pared simple, guías de rodillos y guías de bolas para reequipamiento.
Propiedades:
- Compuerta de aire
- Alta durabilidad
- Se necesita 1 juego por cajón
- Efecto visible con una hendidura de 45 mm.
Montaje:
El amortiguador se monta en la pared del armario con los tornillos incluidos en el volumen de suministro.
El pestillo está montado en el costado del cajón, vea la imagen :
Para más información, descargue las instrucciones de montaje .
Alcance de la entrega:
- 1 Amortiguador de guía para el montaje en la carcasa
- 1 contraparte (conductor) para el montaje en el marco
- Plantilla de papel para una instalación relajada
- Material de fijación
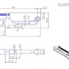
Dimensiones:
Ver dibujo técnico:
Número de referencia del fabricante:
- Número de artículo: 16.10.600 (16.10.600-0)
- Número EAN: 5704866063104
Fabricante: SISO Dinamarca







